Page 2595 - 基隆市議會-第20屆第4次定期會暨第10-12次臨時會議事錄
P. 2595
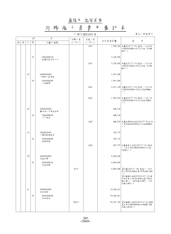
基隆市 總預算案
約 聘 僱 人 員 費 用 彙 計 表
中華民國114年度 單位:新臺幣元
科 目 約聘人員 約僱人員
款 項 目 節 名稱及編號 (人*月) (人*月) 全年度預算數 說 明
3x12 1,956,792 依據113年7月19日基府人力壹字第
1130235106號函核定(約僱人員280
點3人)
07 58020020109 3,230,060
路邊收費停車工作
5x12 3,230,060 依據113年7月19日基府人力壹字第
1130235106號函核定(約僱人員280
點5人)
23 59020020200 7,637,200
市場與工商業務
02 59020020205 7,637,200
工商輔導
9x12 5,814,108 依據113年7月19日基府人力壹字第
1130235106號函核定(約僱280點9
人)
4x12 1,823,092 依據113年7月19日基府人力壹字第
1130235106號函核定(約僱190點4
人)
24 59020020300 646,518
觀光與公用事業管理
01 59020020301 646,518
公用事業
1x12 646,518 依據經濟部能源局112年7月5日能油
字第11200591910號函(約僱280點1
人)
25 59020020400 455,773
公園與路燈管理
02 59020020402 455,773
路燈養護
1x12 455,773 依據基隆市政府113年7月19日基府
人力壹字第1130235106號函(約僱
190點1人)
30 62020020100 4,699,000
社會救濟
01 62020020101 4,699,000
社會救濟
6x12 4,699,000 【依據113年7月19日基府人力壹字
第1130235106號函】(376俸點約聘1
人)
【依據衛生福利部113年5月14日衛
部救字第1130120163號函】(392俸
點約聘1人、344俸點約聘2人、312
俸點約聘2人)
31 63020020200 73,202,911
社政業務
01 63020020201 73,202,911
社政業務
30x12 23,237,195 【依據衛生福利部113年5月6日衛授
家字第1130105893號函辦理】(360
俸點約聘30人)
269
~2565~

